Ningbo Richge Technology Co., Ltd.
Ningbo Richge Technology Co., Ltd.
Productos
Interruptor de vacío de interruptor de columna integrado de la serie Zn12-12
  • Interruptor de vacío de interruptor de columna integrado de la serie Zn12-12Interruptor de vacío de interruptor de columna integrado de la serie Zn12-12
  • Interruptor de vacío de interruptor de columna integrado de la serie Zn12-12Interruptor de vacío de interruptor de columna integrado de la serie Zn12-12

Interruptor de vacío de interruptor de columna integrado de la serie Zn12-12

Model:ZN12-12
El interruptor de circuito de vacío de AC HV de la serie Zn12-12 es el equipo interior de tres fases AC 50Hz, voltaje nominal de 12kV, que introdujo la tecnología de la compañía alemana. Es adecuado para el área con todo tipo de carga y operación frecuente, y puede utilizar para protección y control de instalaciones eléctricas industriales y mineras, empresas, plantas de energía y subestación. Este producto está de acuerdo con los requisitos relacionados de los estándares GB1984, JB3855, DL403 e IEC.

Interruptor de vacío de interruptor de columna integrado de la serie Zn12-12

  Zn12-12 El interruptor de vacío de alto voltaje interior de voltaje nominal de 12 kV y la siguiente tabla de interruptores de alto voltaje interior, instalado principalmente en la tabla de interruptores fijo, para empresas industriales y mineras, plantas de energía y subestaciones para la protección y control de las instalaciones eléctricas, y es adecuado para romper las cargas importantes y la operación frecuente del lugar!

  Los interruptores de circuito de vacío de la serie Zn12 son un dispositivo de carga de interruptores de alto voltaje interior con voltajes nominal de 12kV, 24kV y 40.5kV, y AC de 50Hz trifásico. Es un producto interno desarrollado al introducir tecnología alemana Siemens 3AF. El mecanismo operativo del interruptor de circuito es un tipo de almacenamiento de energía de resorte, que puede ser operado por CA o DC, o manualmente. El disyuntor tiene estructura simple, capacidad de ruptura fuerte, larga vida útil y funciones de operación completas. Y no hay peligro de explosión, y el mantenimiento es simple. Es adecuado para el interruptor de control o protección de los sistemas de transmisión y distribución de energía, como centrales eléctricas, subestaciones y empresas industriales y mineras, especialmente adecuadas para romper cargas importantes y lugares de operación frecuentes. El formulario de instalación del interruptor de circuito en el gabinete del interruptor puede ser un tipo de circuito de tipo fijo o retirable. Este producto cumple con los estándares relevantes como GB1984, JB3855 e IEC62271-100 "Circuito de AC de alto voltaje".


Ventajas:

1. El interruptor de circuito aprobó la evaluación del Ministerio de Maquinaria y el Ministerio de Energía Eléctrica en agosto de 96, lo que significa que la calidad está absolutamente garantizada.

El mecanismo del interruptor del circuito está integrado con el interruptor, y el mecanismo de actuador de tipo de almacenamiento de energía de resorte especial puede operarse mediante almacenamiento de energía de CA y CC o operarse manualmente.

Con estructura simple, capacidad de ruptura fuerte, larga vida útil, funciones de operación completa, sin peligro de explosión y fácil mantenimiento, este interruptor de circuito es adecuado para el control o interruptor de protección del sistema de transmisión y distribución de energía, como planta de energía, red eléctrica de la ciudad, subestación, etc. Es especialmente adecuado para romper cargas y lugares importantes con operación frecuente.


Características:

1. La capacidad de ruptura de la cámara de extinción de arco es alta, la capacidad de carga actual es baja y la vida eléctrica es larga.

2. El diseño es de adelante hacia atrás, estructura simple y compacta, operación completa y fácil mantenimiento.

3. Para estructura e instalación, se pueden dividir en: tipo fijo horizontal, tipo fijo inclinado, tipo móvil de conjunto medio.






Información básica.



Parámetros técnicos



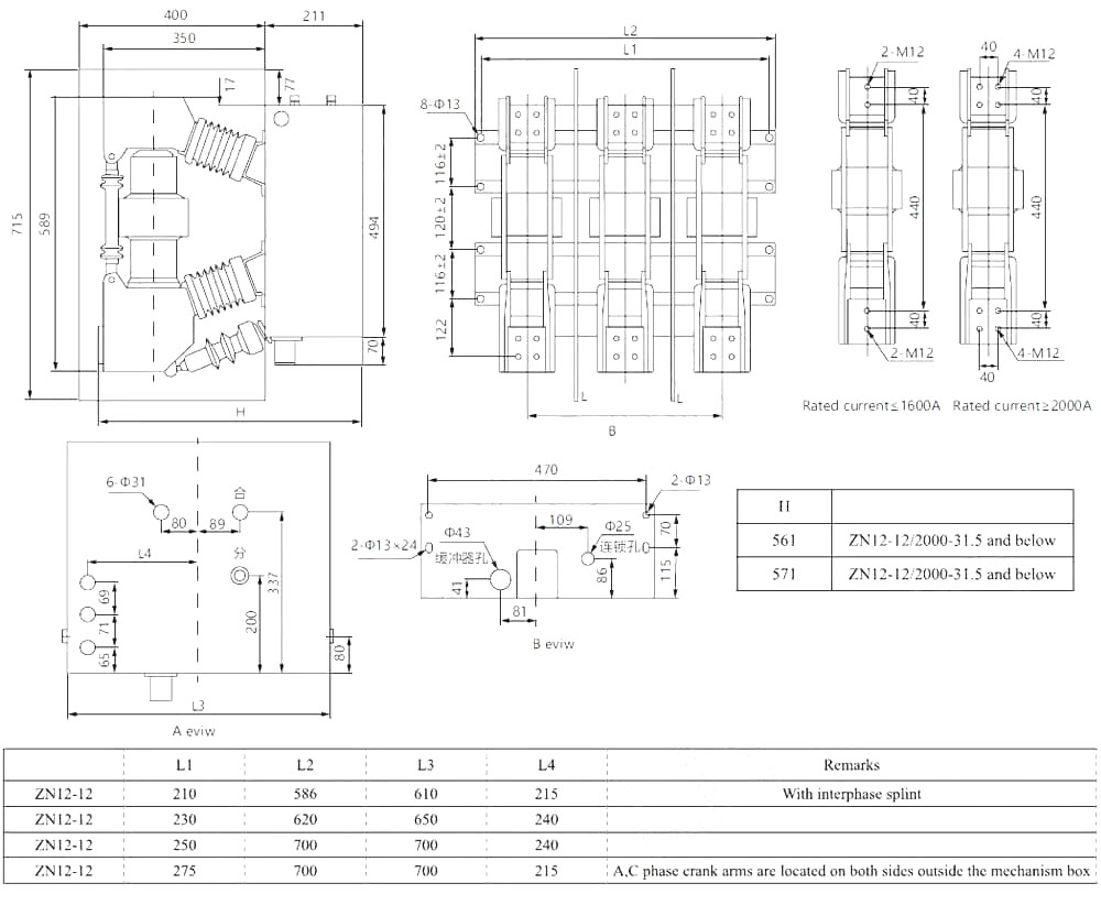
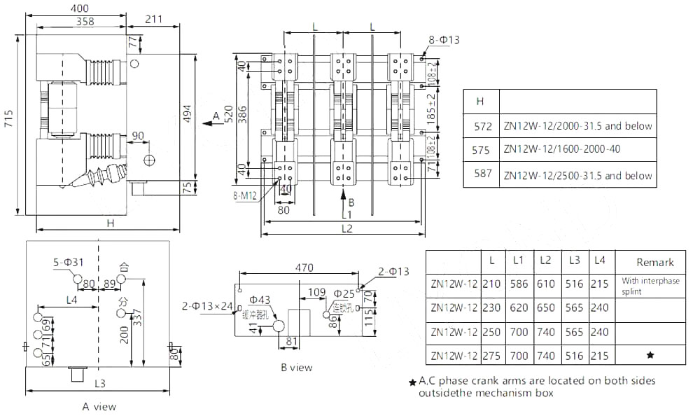
Dibujos técnicos


Condiciones de uso del interruptor de vacío de interruptor de columna Zn12-12 Integrado1. Altitud: ≤1000 m; (La altitud del prototipo puede alcanzar menos de 4000 metros)

2. Temperatura ambiente: más alta +40 ° C, más bajo -25 ° C;

3. Humedad relativa: promedio diario no más del 95%, promedio mensual no más del 90%;

4. Intensidad del terremoto: menos de 8;

5. Entorno de instalación: sin fuego, peligro de explosión, sin gas corrosivo y sin lugar de vibración violenta.

6. Comuníquese con el fabricante del interruptor de circuito de vacío si el entorno de uso excede lo anterior.




Preguntas frecuentes

P: ¿Podría tener precios de sus productos?

A: Bienvenido. No dude en enviarnos una consulta aquí. Le responderemos dentro de las 24 horas.


P: ¿Puedo obtener una muestra antes del pedido a granel?

R: Sí, damos la bienvenida al orden de muestra para probar y verificar la calidad. Las muestras mezclas son aceptables.


P: ¿Podemos imprimir nuestro logotipo/ nombre de la empresa en productos?

R: Sí, por supuesto, aceptamos OEM, luego necesitamos que nos brinde autorización de marca


P: ¿Acepta la personalización del producto?

R: Sí, por supuesto, proporcione dibujos o parámetros específicos, lo cotizaremos después de la evaluación


P: ¿Cuál es el tiempo de entrega?

R: El tiempo de entrega depende de las cantidades ordenadas, generalmente dentro de los 7-20 días después de recibir el pago.


P: ¿Cuáles son sus términos comerciales?

R: Aceptamos EXW, FOB, CIF, FCA, etc.


P: ¿Cuál es su método de pago?  

R: Aceptamos T/T, Western Union, PayPal, Irrevocable L/C a la vista, etc.


P: ¿Inspecciona los productos terminados?

R: Sí, cada paso de producción y productos terminados será inspección por el Departamento de QC antes de enviar. Y proporcionaremos informes de inspección de bienes para su referencia antes del envío


P: ¿Cómo resolver los problemas de calidad después de las ventas?

R: Tome fotos de los problemas de calidad y envíenos para nuestra verificación y confirmación, haremos una solución satisfecha para usted dentro de los 3 días.




Fábrica


Certificado




Etiquetas calientes: Interruptor de vacío de interruptor de columna integrado de la serie Zn12-12, China, fabricante, proveedor, fábrica, bajo precio, calidad, última venta, avanzada
Enviar Consulta
Datos de contacto
  • DIRECCIÓN

    No.1083 Zhongshan East Road, distrito de Yinzhou, ciudad de Ningbo, provincia de Zhejiang, China

  • Teléfono

    +86-18958965181

  • Correo electrónico

    sales@switchgearcn.net

Para consultas sobre aparamenta de baja tensión, aisladores de alta tensión, seccionador de puesta a tierra de alta tensión o lista de precios, déjenos su correo electrónico y nos pondremos en contacto dentro de las 24 horas.
X
Utilizamos cookies para ofrecerle una mejor experiencia de navegación, analizar el tráfico del sitio y personalizar el contenido. Al utilizar este sitio, acepta nuestro uso de cookies. política de privacidad
Rechazar Aceptar